CNKCL系列隔離開關(以下簡稱開關),其額定工作電壓 為交流400V,額定頻率5Hz,額定工作電流從125至1600,具有3極、4極(三極十可通斷中性極)開關可選用,主要用于低壓 成套配電裝置中,作為不頻繁切換電路的接通和分斷或電氣隔離之用。
CNKCL系列隔離開關具有多種結構和操作方式,有直接操作、柜外操作、側面操作、柜后操作、板后接線及兩臺開關的 轉換操作,適合用戶不同需要。
開關符合GB/T14048.3、IEC60947-3標準。通過"CCC"產品認證。
產品特點
CNKGL系列隔離開關采用模塊化設計,運用彈簧儲能、瞬時釋放加速關合機構及并聯雙斷點的觸頭結構,極大的提高了產品的機械性能與電氣性能。
采用玻璃纖維增強不飽和聚脂制造的外殼,具有較高的介電性能、防護能力可靠確保操作安全性。
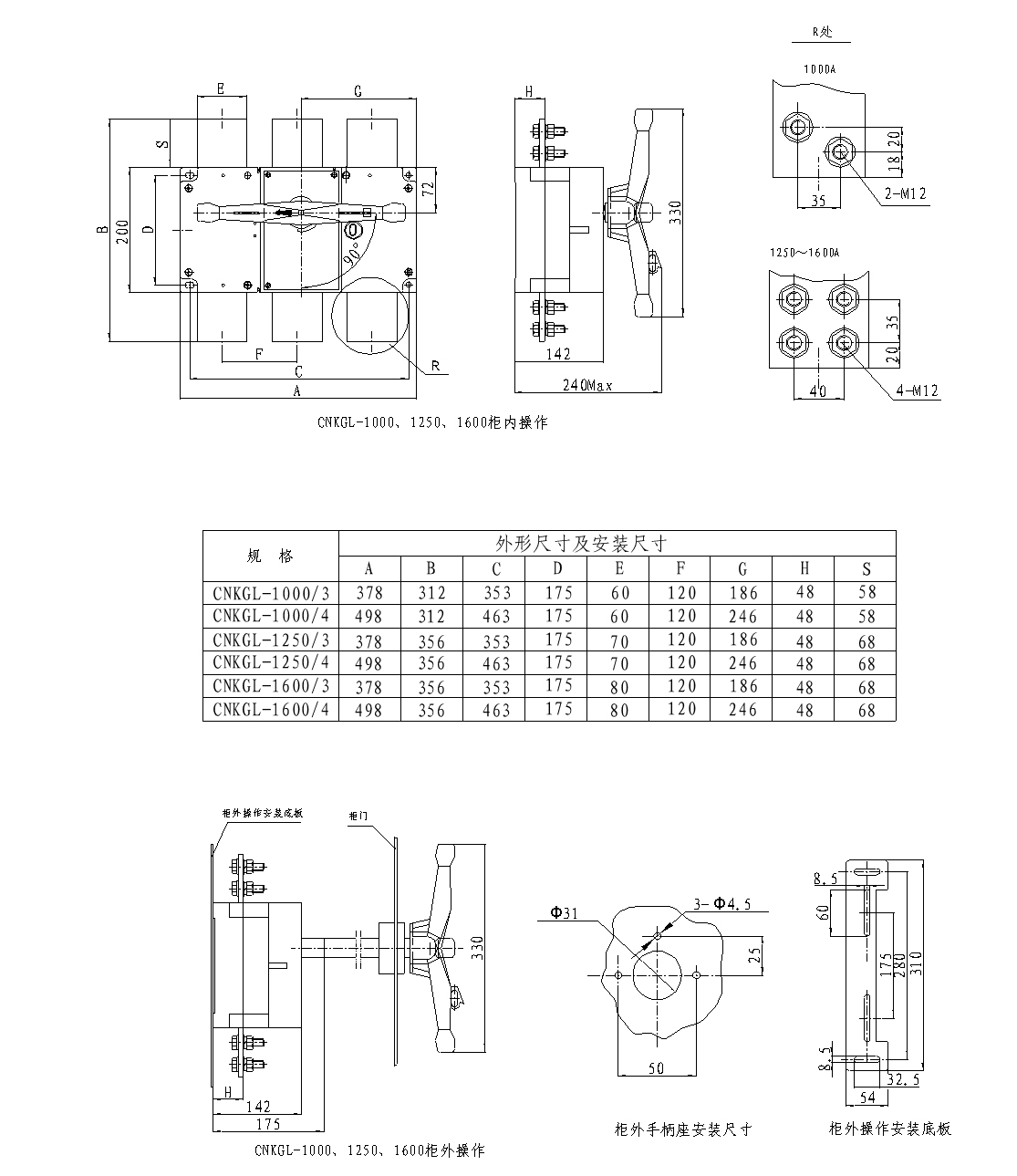
開關的操作方式多樣,手柄可安裝在開關上直接操作(簡稱柜內操作), 也可安裝在配電柜柜門外進行柜外操作。加長軸用于柜外操作,可配置輔助觸點。
產品詳情
主要技術指標
型號及其含義

外形及安裝尺寸










