HR5系列熔斷器式隔離開關,額定電壓至交流380V,額定電流至 630A,適用于有高短路電流的配電電路和電動機電路中,作為手動不頻繁操作的開關、隔離開關和應急開關,并作電路保護之用,但一般不適用直接開關單臺電動機。
本系列開關由三極底座、帶嵌入式滅弧罩的上插座、下插座和可拆卸的蓋組成,蓋兼作手柄并在其背面卡裝熔斷體。更換熔斷體時可將蓋 從底座上卸下,以防觸及帶電部件。底座兩側的片狀彈簧使開關具有快 速分、合功能。
Series HR5 fuse-switch-disconnector with rated voltage up to 50Hz 380V and rated current up to 630A is applicable to the distribution circuit and motor circuits with high short-circuit currents as the power switch, switch-disconnector and emergency switch for protection purpose Generally it is not suitable for directly operating a single motor. HR5 fuse- switch-disconnector is composed of a triple-pole base, upper socket set with built-in arc chute, lower socket set and removable cover. The cover also functions as a handle and the fuse-links are fitted to its back. When replacing fuse-link, the cover can be removed from the base to avoid touching to live parts. The sheet springs on both sides of the base equip the switch with fast making breaking function.
產品詳情
主要技術指標

型號及其含義
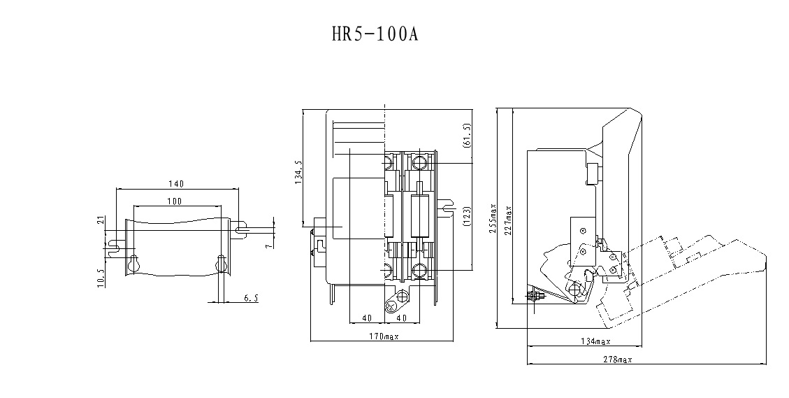
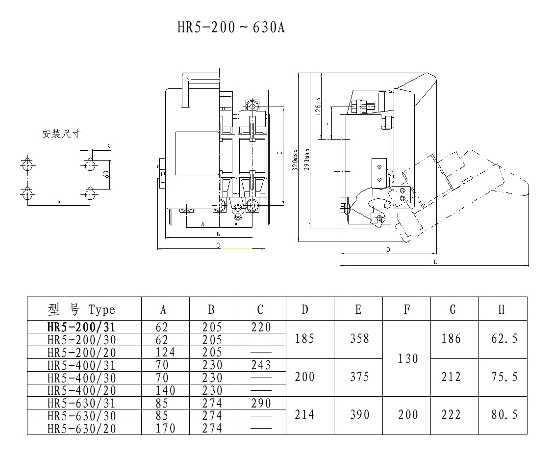
外形及安裝尺寸

